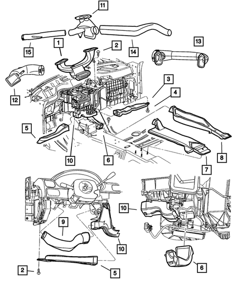
Air Ducts and Outlets for 2002 Chrysler 300M
No.
Part # / Description / Price
Price
No.
Part # / Description / Price
Price
2
OEM NEW 98-20 Mopar Jeep Dodge Chrysler Ram SE Interior Door Panel Screw 6101946
Mopar
Mopar Notes: Engines: 2.7L V6 24V W/ACTIVE INTAKE ENGINE. 2.7L V6 DOHC 24 VALVE MPI ENGINE. 3.2L V6 SOHC 24 VALVE MPI ENGINE. 3.5L V6 HIGH OUTPUT 24V MPI ENGINE. 3.5L V6 SOHC 24V ENGINE.
MSRP $2.30
$1.73
MSRP $2.30
$1.73
4
OEM NEW 2001-2015 Mopar Jeep Liberty Chrysler 300 Splash Shield Push Pin 6501925
Mopar
Mopar Description: Ambient Temperature Sensor. Duct Mounting. Shelf Panel. Cowl to Plenum. Attachment, Dash Silencer. Sensor To Fascia. Ambient temp sensor mounting. Ambient temp sensor mtg. Fascia to Rear Liftgate.
MSRP $9.15
$7.63
MSRP $9.15
$7.63

